PRODUCT CLASS
地址:
手机:
添加时间:2021/04/01

防爆性能符合GB3836.1-2010 《爆炸性环境 第1部分: 设备 通用要求》、GB3836.2-2010《爆炸性环境 第2部分: 由:隔爆外壳“d”保护的设备》、GB12476.1-2013《可燃性粉尘环境用电气设备第 1 部分: 通用要求》、GB12476.1-2013 《可燃性粉尘环境用电气设备第 5 部分: 外壳保护型“tD”》的规定制成隔爆型结构。
产品型号:RFKB-Ex (厂家内部编号: RFIR315/N-200)
防爆级别:Ex dⅡC T6 Gb/ Ex tD A21 IP68 T80℃
产品材质:优质碳素钢(可选不锈钢,用于腐蚀性环境)
功能特点:
·30米/60米/80米等红外可视距离,可见光不足时红外灯自动开启,可在夜晚和光线较差时使用
·应用特种防爆玻璃,光通率高,完全消除红外灯光晕
·纳米隐形雨刷,不粘水,不粘油,排斥灰尘
·高硬度优质碳素钢制作, 表面喷涂处理
·采用高性能逐行扫描CMOS传感器;
·实时H.265/H.264/Mjpeg编码;
·支持ONVIF等传输协议, 及主流平台私有协议;
·支持HTTP、TCP/IP、DNS、DDNS、PPPOE等网络协议;
·支持移动侦测和隐私遮挡等功能;
·可提供标准SDK二次开发包;
·支持网页IE访问;
·可按客户要求,加装光纤模块/无线传输模块/加热装置等
适用环境:具有ⅡA、ⅡB、ⅡC类可燃性气体,引燃温度组别为T1-T6组的1区、2区,可燃性气体或蒸气与空气形成的爆炸性混合物的场所,也适用于引燃温度组别为T1-T6组的21区、22区,含有可燃性粉尘混合物的场所。如:石油、化工、矿井、军工、医药、油库、轮船、钻井平台、加油站、花炮生产、粮食加工储存等。
型号 | RFKB-Ex (厂家内部编号: RFIR315/N-200) |
防爆标志 | Ex dⅡC T6 Gb/ Ex tD A21 IP68 T80℃ |
电气连接 | 网线(RJ45),电源线 / 复合电缆 |
图像传感器 | 200万像素1/2.7英寸CMOS |
主处理器 | 海思方案,高性能DSP |
照 度 | 彩色0.005Lux,黑白0.001Lux(低于1Lux红外灯开启) |
红外距离 | 30/60/80米 |
日夜转换模式 | 双滤片自动切换 (IR-CUT) |
镜头 | 4mm/6mm/8mm/12mm/16mm/25mm等3MP高清镜头可选 |
视频压缩标准 | H.265/ H.264 / Mjpeg |
主码流分辨率 | 1920*1080, 1280*960 |
子码流分辨率 | D1,VGA,640*360,CIF,QVGA |
视频码率 | 64Kbps-8Mbps |
视频帧率 | 1-25 帧可调 |
网络协议 | 标准HTTP、TCP/IP、ICMP、RTSP、RTP、UDP、SMTP、FTP、DHCP、DNS、DDNS、PPPOE 等 |
接入协议 | 支持ONVIF等传输协议, 及主流平台私有协议 |
时间信息 | 支持时间信息叠加,上下左右位置可调 |
通道名称 | 支持30个字符(15个汉字),上下左右位置可调 |
移动侦测 | 支持 |
隐私遮挡 | 4个区域可设置 |
信噪比 | >52dB |
白平衡 | 自动 |
增益控制 | 自动 |
电子快门 | 自动 |
宽动态 | 数字宽动态 |
图像设置 | 背光补偿,饱和度,亮度,对比度,尖锐度等都可通过客户端或IE浏览器调整 |
供电电压 | AC110V~220V/DC12V/POE可选 |
工作电流 | ≤2000mA |
环境温度 | -25℃~+70℃ |
大气压力 | 86~106KPa |
相对湿度 | ≤95%RH(+25℃) |
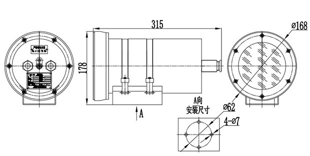
外形尺寸 | ¢175mm ×315 mm(长) |
出线孔规格 | G 1/2 " * 2个 |
重量 | ≤8Kg |
安装方式 | 云台、固定支架等 |
备注:同一型号产品可能会有多个版本和配置,详细参数和需求请咨询销售人员。
外形尺寸 ¢175mm ×315 mm(长)>>
<重量 ≤8Kg>>

防爆挠性连接管

版权所有:深圳市容方科技有限公司 电话:0755-28397973
地址:深圳市坪山区龙田街道德昌盛工业园B栋4楼 技术支持:深圳容方技术部 ICP备案编号:粤ICP备16017731号-1