PRODUCT CLASS
地址:
手机:
添加时间:2021/04/01

防爆性能符合GB3836.1-2010 《爆炸性环境 第1部分: 设备 通用要求》、GB3836.2-2010《爆炸性环境 第2部分: 由:隔爆外壳“d”保护的设备》、GB12476.1-2013《可燃性粉尘环境用电气设备第 1 部分: 通用要求》、GB12476.1-2013 《可燃性粉尘环境用电气设备第 5 部分: 外壳保护型“tD”》的规定制成隔爆型结构。
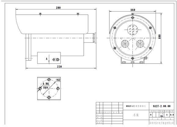
产品型号:RFKB-Ex (厂家内部编号: RFIR280C/N-200/HK)
防爆级别:Ex dⅡC T6 Gb/ Ex tD A21 IP68 T80℃
产品材质:304不锈钢(可选316L不锈钢,用于强腐蚀性环境)
功能特点:
·30米/60米/80米等红外可视距离,可见光不足时红外灯自动开启,可在夜晚和光线较差时使用
·应用特种防爆玻璃,光通率高
·摄像机视窗和红外灯完全隔离,没有红外灯光晕
·纳米隐形雨刷,不粘水,不粘油,排斥灰尘
·配置遮阳罩,能有效保证在阳光和大雨情况下正常工作
·采用高性能逐行扫描CMOS传感器
·实时H.265/H.264/Mjpeg编码
·支持ONVIF等传输协议
·支持HTTP、TCP/IP、DNS、DDNS、PPPOE等网络协议
·支持移动侦测和隐私遮挡等功能
·可提供标准SDK二次开发包
·支持网页IE访问
·可按客户要求,加装光纤模块/无线传输模块/加热装置等
型号 | RFKB-Ex (厂家内部编号: RFIR280C/N-200/HK) |
防爆标志 | Ex dⅡC T6 Gb/ Ex Td A21 IP68 T80℃ |
图像传感器 | 200万像素1/2.7英寸CMOS |
快门 | 1/3秒至1/100,000秒 |
红外距离 | 30/60/80米 |
日夜转换模式 | 双滤片自动切换 (IR-CUT) |
镜头 | 4mm/6mm/8mm/12mm/16mm/25mm等3MP高清镜头可选 |
宽动态范围 | 120dB |
背光补偿 | 支持,可选区域 |
数字降噪 | 3D数字降噪 |
视频压缩标准 | H.265/H.264 / Mjpeg |
压缩输出码率 | 32Kbps-8Mbps |
最大图像尺寸 | 1920*1080 |
帧率 | 25fps(1920*1080,,180*960,1280*720) |
图像设置 | 走廊模式,亮度,对比度,饱和度等都可通过客户端或IE浏览器调整 |
背光补偿 | 支持,可选择区域 |
接口协议 | ONVIF,PSIA,ISAPI等, 及海康平台私有协议 |
智能报警 | 移动侦测,遮挡报警,网线断,IP地址冲突,存储器满,存储器错 |
网络协议 | TCP/IP,ICMP,HTTP,HTTPS,FTP,DHCP, DNS,DDNS,RTP,RTSP,RTCP,NTP,UPnP, SMTP,IGMP,802.1X,QoS,IPv6,Bonjour |
供电电压 | AC110V~220V/DC12V/POE可选 |
电气连接 | 网线(RJ45),电源线 / 复合电缆 |
工作电流 | ≤2000mA |
环境温度 | -25℃~+70℃ |
大气压力 | 86~106KPa |
相对湿度 | ≤95%RH(+25℃) |
外形尺寸 | ¢160mm ×280 mm(长) |
出线孔规格 | G-3/4" * 1 或 G-1/2" * 1 |
重量 | ≤6Kg |
安装方式 | 云台、固定支架等 |
备注:
同一型号产品可能会有多个版本和配置,详细参数和需求请咨询销售人员。
以上配置为海康200万枪机模组,客户也可选择大华枪机模组,以及其他厂家网络模组

版权所有:深圳市容方科技有限公司 电话:0755-28397973
地址:深圳市坪山区龙田街道德昌盛工业园B栋4楼 技术支持:深圳容方技术部 ICP备案编号:粤ICP备16017731号-1